Cette année
Ça s’en vient vite. J’espère que l’issue de l’élection provinciale n’aura pas d’incidence sur le projet. Plusieurs projets avaient été mis sur pause par le fédéral au Québec à la fin des années 70, suite à l’élection du PQ et sa promesse de référendum, notamment le Complexe Guy-Favreau à Montréal. Ça serait dommage que le TGV subisse le même sort.
PSPP et le PQ ont été des opposants de la première heure du REM de l’Est, du REM, et plus généralement d’infrastructures ferroviaire lourde en surface, de même que l’implication de la Caisse dans les projets d’infrastructures.
Ils disent ne pas être contre un TGV Montréal-Toronto, mais tout comme ils disent ne pas être contre métro léger dans l’Est, ça dépendra de comment et par qui il sera construit…
Sur ma carte bingo 2026, il y a PSPP qui nous dit que le TGV est un projet d’assimilation ![]()
Ahahah, c’est très possible effectivement!
Ça, et puis les “champs de compétences” en terme de déplacement interprovincial sur la portion Québec Montréal.
C’est dans l’ensemble une bonne analyse qui expliquerait en grande partie la raison pour laquelle Alto considère la rive-Nord comme tracé pour connecter Québec-Montréal-Ottawa.
Cependant, certaines questions demeurent…
J’ai fait quelques recherches et l’option de construire un tunnel pour permettre au TGV de se rendre au grands centres urbains (Montréal ou Toronto) me fait penser au Taiwan High Speed Rail (THSR) à Taïwan ou encore au Shinkansen au Japon: pour avoir expérimenté le TGV à Taïwan, lorsque le tracé du TGV approche de la capitale Taipei, on passe d’une structure ferroviaire aérienne (nullement au même niveau du sol) en tunnel sous la ville pour se connecter à leur gare centrale, en plein centre de la ville.
Ni le THSR ou le Shinkansen ne partage de corridor ferroviaire avec les trains classiques contrairement au TGV en France, qui, lorsqu’il approche des grands centre urbains pour accéder au gares ferroviaires centrales, doit partager les rails avec les autres lignes ferroviaires avant d’utiliser son propre corridor exclusif en sortant de la ville, comme Paris. J’ai aussi remarqué cette particuliarité en utilisant le TGV en entrant et sortant de Paris, ou encore l’Eurostar entre Paris et Londres. Donc, je me demande sur quel modèle ou technologie de TGV se base ce TGV canadien: le modèle asiatique ou français?
Pour ma part, je considère qu’on manquerait une opportunité de faire d’une pierre deux coups en tentant d’utiliser certaines emprises ferroviaires existantes à Montréal pour le TGV (il y a des emprises ferroviaires qui sont très peu utilisées par le CN ou CP, ou quaisment abandonnées), ce qui donnerait aussi l’opportunité d’améliorer les corridors pour les trains de banlieues en même temps. Surtout si on se base sur le modèle de TGV français.
On pourrait aussi prolonger la ligne jaune vers la station du Parc. Cependant, même si la station d’Alto est souterraine downtown, l’extention de la ligne jaune vers cette station va de soit! Rolland-Therien, tellement facile en cut-and-cover!
Pas l’année prochaine, mais cette année en 2026 au début d’octobre, dans moins de 9 mois
Ne me tagger pas si vous souhaitez commenter le propos de Marco Chitti, vous pouvez simplement citer ce que voulez citer manuellement comme ceci
> bla bla
Transport Action Canada (@transportaction.ca)
Les tunnels coûtent extrêmement cher — et il vaut mieux les éviter autant que possible. Parc → Central devrait largement suffire pour atteindre le centre-ville avec un impact minimal sur les communautés.Marco Chitti (@chittimarco.bsky.social)
C’est vrai — mais pour y arriver, il te faut un cadre qui permette le partage des voies avec Exo (il n’y a pas la place d’ajouter des voies séparées). Et il faut aussi du financement pour moderniser entièrement la ligne Exo vers Saint-Jérôme : des EMU performants, des gares avec embarquement de plain-pied (quais à niveau), et une électrification complète, même en dehors du corridor partagé.Si tu veux qu’Exo cohabite sur la même infrastructure qu’un train à grande vitesse (HSR), il te faut un Exo complètement différent : exploité avec des EMU légers (donc des exigences différentes en matière de résistance aux collisions), avec un embarquement rapide (gares entièrement reconstruites, peut-être des voies d’évitement), etc.
Un tunnel, du point de vue d’Alto, “règle” tous ces “problèmes” et évite tout ce périmètre additionnel.De ce que je comprends, c’est un niveau de complexité qu’ils essaient d’éviter. Et probablement à juste titre, vu l’absence d’un cadre institutionnel clair pour coordonner ce type de projet à plusieurs acteurs.
Les pays de l’UE peuvent le faire parce qu’une seule entité possède toute l’infrastructure.Mais, de façon très nord-américaine, on essaie littéralement de contourner des problèmes fondamentaux de gouvernance… avec du génie civil.
Un tunnel, oui, c’est cher. Mais faute de réformes de gouvernance qu’Alto n’est pas en position d’exiger, c’est probablement l’option qui t’achète… de la simplicité.
“The reason we have this billion-dollar problem at all is because we ignored Systra and went for the simplicity of a siloed solution for REM, also making a white elephant of the recently built Mascouche extension and bi-mode fleet. Making the same costly mistake again would be utterly insupportable.”
C’est quoi qu’on a ignoré de Systra.
Le texte viens de cette conversation BlueSkye du post précédent.
Question possiblement niaiseuse: si Alto était pour passer par la subdivision Parc et électrifier la ligne St-Jérôme, est-ce que les trains Exo actuels pourraient continuer d’utiliser la voie? Que leurs trains soient électrifiés ou non, tant qu’ils n’interfèrent pas avec le câblage, je ne vois pas en quoi ça serait un problème… Ou est-ce que c’est plutôt les systèmes de communication de chacun qui ne sont pas compatibles?
Le problème, seule la section entre St-Jérôme et Blainville appartient à Exo, tout le reste jusqu’à Montréal est au CPKC et aucune chance qu’ils permettent l’électrification de cette partie !
Agrandir la subdivision pour la mettre à quatre voies serait probablement un incontournable s’ils se décide à utiliser la subdivision.
Il n’y aura pas suffisamment de trains Alto par heure pour justifier une emprise qui leur est exclusive en milieu urbain et là où la limite de vitesse sera inférieure à 200 km/h. Il y aura en masse de place sur la Sub Parc pour Alto, Exo et probablement aussi CFQG.
Il est probable qu’une simple 3e voie à De la Concorde soit suffisante pour accueillir tout le monde.
Ils peuvent justifier ce qu’ils veulent du fait que ça soit leur emprise.
Je suis d’accord sur le principe, mais peso je préfère encore une emprise dédiée pour des raison de fiabilité. Pour un réseau qui est utilisée à pleine capacité chaque panne risque d’impacter tout l’autre service et la répercussion sera encore plus grande. Les conditions hivernales qu’on a ici augmente beaucoup les risque de pannes.
Tant qu’il y a une voie double sur la longueur su tracé Alto, les voies ne seront jamais à capacité. Il est prévu au maximum quoi, 24 trains par jour par direction? La LGV sud-ouest voit passer 120 trains par jour par direction. Ça fait 2 trains à l’heure au maximum. Il y a en masse de place sur la sub Parc pour Exo et CFQG.
Juste rappeler qu’il n’y aura absolument aucun trains de marchandises sur les voies d’ALTO. Même pas hors des heures d’opérations.
Si c’est le cas, alors c’est en raison des quais hauts. Ce n’est certainement pas en raison de la capacité de la voie.
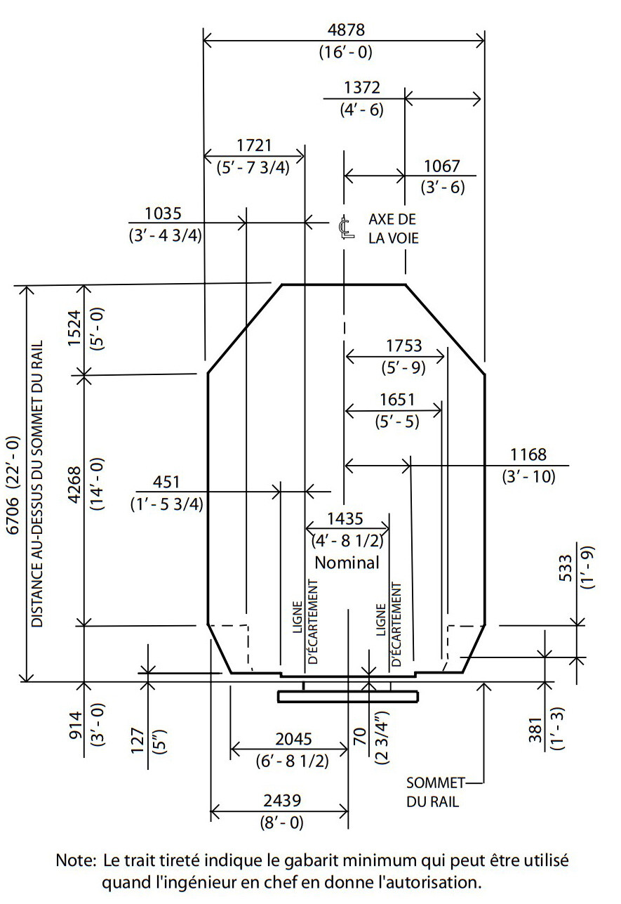
J’ai fait une petite recherche à ce sujet. La norme de Transport Canada exige un gabarit ferroviaire de 4878mm (approx. 4,9m) pour une voie ferrée: Norme relative aux gabarits ferroviaires
Voici les largeurs approximatives de la subdivision Parc du CPKC à Montréal que je mesure sur Google Maps:
-
Au niveau du boulevard Jean-Talon/Gare Parc:
-
Rue Jarry:
-
Autoroute Métropolitaine:
-
Rue Chabanel:
-
Au niveau du marché central/viaduc du CN enjambant les voies du CP:
-
Au niveau du boulevard Henri-Bourrassa:
-
Au niveau du boulevard Gouin:
Selon ce qu’on peut mesurer, il semble que l’on soit assez limite pour ajouter 2 autres voies ferrées (4 voies x 4,9m = 19,6m). Il semble que l’on soit capable d’ajouter au plus une voie ferrée additionnelle (3 voies = 14,7m) si on veut être assez confortable pour ajouter les installations des gares, signalisation, électrification et autres installations.
D’où le désir d’ALTO de construire un tunnel.







